发布需求

RCT系列永磁滚筒

价  格 
0.00
品牌:
富森矿山
型号:
RCT系列永磁滚筒
磁场磁系:
其他
磁场种类:
其他
磁场强度:
其他
潍坊富森矿山机械有限公司
店主:邓经理
地址:山东省潍坊市临朐县
猜你喜欢
聚氨酯
¥1.00¥0.00
JXM系列冲击机械磨
¥0.00¥0.00
热销商品
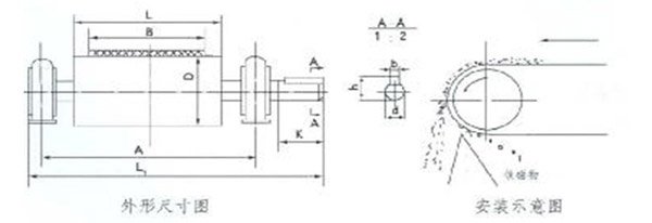
  • 产品介绍

适用范围:
    本产品亦称磁滑轮或干式大块磁选机,与DT-75型、AD-80型通用固定式皮带输送机配套使用代替主动轮,也可与专用皮带输送机制造配套。广泛应用于水泥、建材、矿山、钢铁、化工、耐火材料、垃圾处理等行业的选铁。

产品特点:
    其内部采用高性能硬磁材料组成复合磁系,具有磁场强度高、深度大、结构简单、使用方便、不需维修、不消耗电力,常年使用不退磁等特点


对比栏关闭